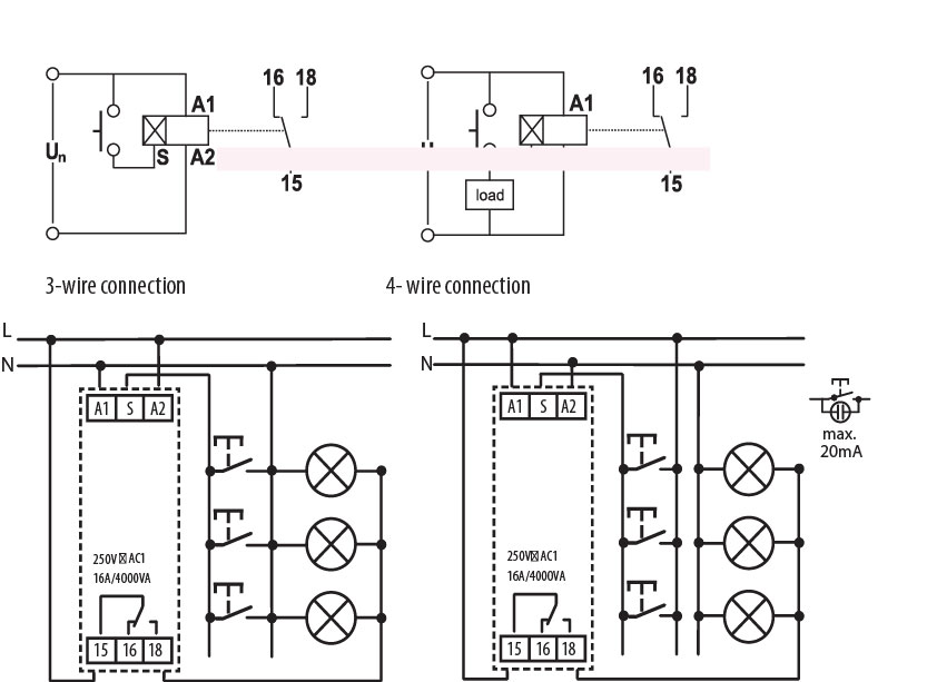
Štafetni relej CRM-4 002470012
Specifikacije
- Šifra proizvoda:
- 002470012
- Opis:
- CRM-4
- Ime razreda:
- Štafetni relej
- Maksimalna nosivost AC1 (VA):
- 4000
- Broj CO kontakata:
- 1
- Funkcija:
- Vremenski relej
- Napon napajanja (V):
- 230
- Broj kontakta:
- 1
- Nazivna struja:
- 16
- Tip napona:
- AC
- Kategorija:
- Foto releji i stepenišni automati
Dokumenti
Logistički podaci
Proizvod
- Carinska tarifa
- 85364900
- logis_net_width
- 18 mm
- logis_net_height
- 91 mm
- logis_net_depth
- 64 mm
Osnovno pakovanje
- Količina
- 1
- EAN
- 8594030338247
- Težina
- 0.074 kg
Transportno pakovanje
- Količina
- 10
- EAN
- 3838895231288
- Težina
- 0.743 kg
- Broj paleta
- 4600
ETIM Clasifikacija
- Klasifikacija
- EC000297
- Ime razreda
- Staircase lighting timer
- Function
- Electronic
- Mounting method
- DIN rail
- Width in number of modular spacings
- 1
- Built-in depth
- 68mm
- Control voltage 1
- 230…230V
- Type of control voltage 1
- AC
- Frequency control voltage 1
- 50…60Hz
- Rated switch current
- 16A
- Release-delay
- 0.08…10min
- Supply voltage
- 230…230V
- Voltage type (supply voltage)
- AC
Slike i dijagrami
Softver i upravljački programi
