Upišite nekoliko riječi da pronađete sadržaj eg:
fuse,arrestor,00110115 technical...
Nedavne pretrage
Tehnička podrška
This email address is being protected from spambots. You need JavaScript enabled to view it.

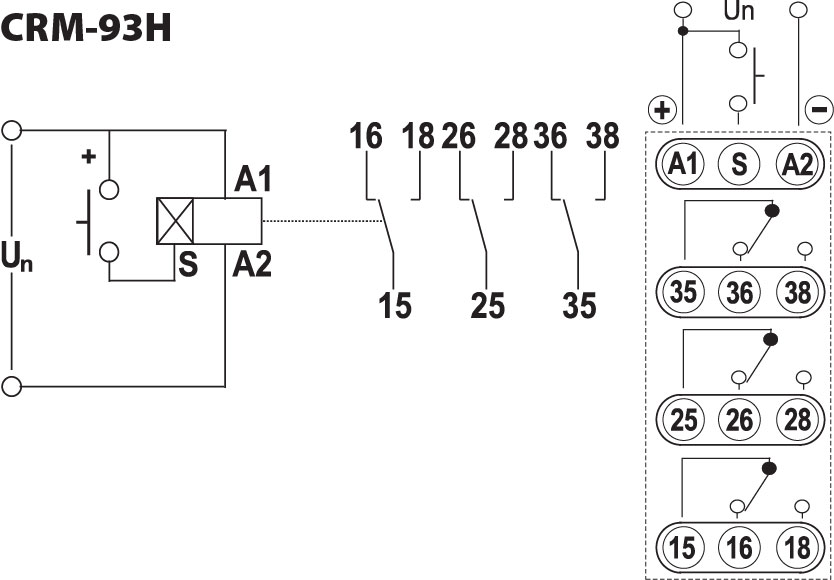
Vremenski relej CRM-93H UNI 002470002

Specifikacije

Šifra proizvoda:
002470002
Opis:
CRM-93H UNI
Ime razreda:
Vremenski relej
Maksimalna nosivost AC1 (VA):
2000
Funkcija:
Vremenski relej
Nazivna struja:
8
Tip napona:
AC/DC
Broj CO kontakata:
1
Napon napajanja (V):
12 - 240
Broj kontakta:
3
Vremenski opseg:
0.1 s-10 dani
Broj funkcija:
10

Dokumenti

Proizvod

Eticode težina
0.098  kg
Carinska tarifa
85364900  
logis_net_width
18  mm
logis_net_height
91  mm
logis_net_depth
64  mm

Osnovno pakovanje

Količina
1  
EAN
8594030338308  
Težina
0.098  kg

Transportno pakovanje

Količina
10  
EAN
3838895231202  
Težina
0.983  kg
Broj paleta
4600  
Klasifikacija
EC001669
Ime razreda
Timer relay for distribution board
Type of excitation
Digital with multi function
Function
Multi function
1st interval unit
Seconds/hours
1st interval
0.1…240
Mounting method
DIN rail
Width in number of modular spacings
1
Built-in height
65mm
Number of changeover switches
3
Supply voltage
12…240V
Voltage type (supply voltage)
AC/DC
Nominal switching current at 250 V AC
8A
ETIM Clasifikacija – Verzija

Slike i dijagrami

Vaša korpa je prazna.