Upišite nekoliko riječi da pronađete sadržaj eg:
fuse,arrestor,00110115 technical...
Nedavne pretrage
Tehnička podrška
This email address is being protected from spambots. You need JavaScript enabled to view it.

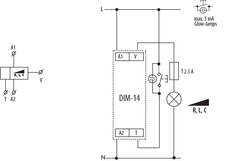
Prekidač za zatamnjivanje DIM-14 002470023 Zastarelo

Ovaj proizvod je zastareo i zamenjen je sa DIM-15. Upoređivanje proizvoda

Specifikacije

Šifra proizvoda:
002470023
Opis:
*DIM-14
Ime razreda:
Prekidač za zatamnjivanje
Maksimalna nosivost AC1 (VA):
300
Funkcija:
Dimer
Tip napona:
AC
Montaža:
DIN šina
Napon napajanja (V):
230
Tip kontakta:
MOSFET
Broj kontakta:
2

Dokumenti

Proizvod

Eticode težina
0.07  kg
Carinska tarifa
85364900  
logis_net_width
18  mm
logis_net_height
91  mm
logis_net_depth
64  mm

Osnovno pakovanje

Količina
1  
EAN
3838895452256  
Težina
0.06  kg

Transportno pakovanje

Količina
10  
EAN
3838895452263  
Težina
0.7  kg
Broj paleta
11250  

Slike i dijagrami

Vaša korpa je prazna.