Upišite nekoliko riječi da pronađete sadržaj eg:
fuse,arrestor,00110115 technical...
Nedavne pretrage
Tehnička podrška
This email address is being protected from spambots. You need JavaScript enabled to view it.

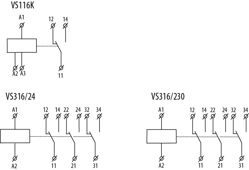
Pomoćni relej VS116K 002471201

Specifikacije

Šifra proizvoda:
002471201
Opis:
VS116K
Ime razreda:
Pomoćni relej
Broj CO kontakata:
1
Maksimalna nosivost AC1 (VA):
4000
Funkcija:
Uređaji za nadzor i upravljanje
Napon napajanja (V):
230
Tip upravljanja:
alarm i kontrola
Broj kontakta:
1
Tip napona:
AC, AC/DC
Nazivna struja:
16

Dokumenti

Proizvod

Eticode težina
0.07  kg
Carinska tarifa
85364900  

Osnovno pakovanje

Količina
1  
EAN
3838895423652  
Težina
0.06  kg

Transportno pakovanje

Količina
10  
EAN
3838895423669  
Težina
0.7  kg
Broj paleta
11250  
Klasifikacija
EC001437
Ime razreda
Switching relay
Type of electric connection
Clip connection
Nominal current
16A
Rated control supply voltage AC 50 Hz
230…230V
Voltage type for actuating
AC/DC
Number of contacts as change-over contact
1
Degree of protection (IP)
IP20
Depth
65mm
ETIM Clasifikacija – Verzija

Slike i dijagrami

Vaša korpa je prazna.