Upišite nekoliko riječi da pronađete sadržaj eg:
fuse,arrestor,00110115 technical...
Nedavne pretrage
Tehnička podrška
This email address is being protected from spambots. You need JavaScript enabled to view it.

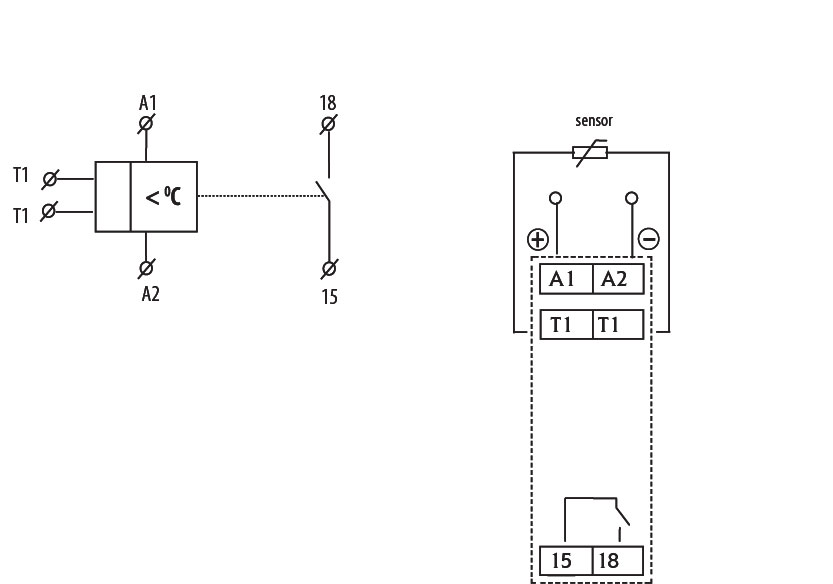
Upravljački relej TER-3A 002471801

Specifikacije

Šifra proizvoda:
002471801
Opis:
TER-3A
Ime razreda:
Upravljački relej
Maksimalna nosivost AC1 (VA):
4000
Broj NO kontakta:
1
Funkcija:
Uređaji za nadzor i upravljanje
Napon napajanja (V):
24-240
Temperaturni opseg (C):
-30..+10
Tip senzilia:
spoljni, termistili NTC
Broj kontakta:
1
Nazivna struja:
16
Tip napona:
AC/DC

Dokumenti

Proizvod

Eticode težina
0.07  kg
Carinska tarifa
85364900  
logis_net_width
18  mm
logis_net_height
91  mm
logis_net_depth
64  mm

Osnovno pakovanje

Količina
1  
EAN
3838895424239  
Težina
0.084  kg

Transportno pakovanje

Količina
10  
EAN
3838895474111  
Težina
0.14  kg
Broj paleta
4600  
Klasifikacija
EC001666
Ime razreda
Temperature controller for distribution board
Model
Analogue
Rated voltage
24…230V
Rated frequency
50…50Hz
Adjustment range comfort
-30…10°C
Nominal switching current at 250 V, potential free
16A
Degree of protection (IP)
IP20
Width in number of modular spacings
1
Assembly depth
65mm
ETIM Clasifikacija – Verzija

Slike i dijagrami

Pribor 4

>
>
0
Vaša korpa je prazna.