Upišite nekoliko riječi da pronađete sadržaj eg:
fuse,arrestor,00110115 technical...
Nedavne pretrage
Tehnička podrška
This email address is being protected from spambots. You need JavaScript enabled to view it.

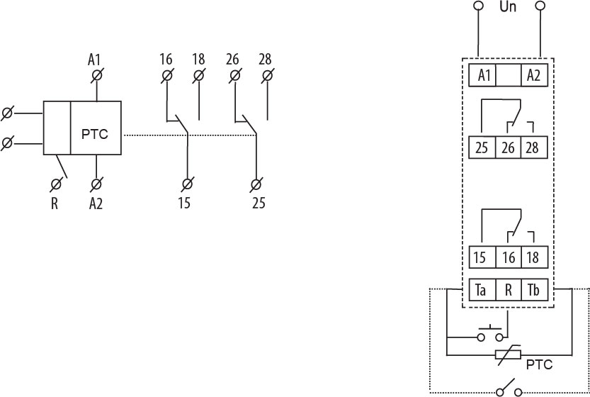
Upravljački relej TER-9 230V 002471824

Specifikacije

Šifra proizvoda:
002471824
Opis:
TER-9 230V
Ime razreda:
Upravljački relej
Maksimalna nosivost AC1 (VA):
2500
Funkcija:
Uređaji za nadzor i upravljanje
Napon napajanja (V):
230
Temperaturni opseg (C):
-40...+110
Tip senzilia:
termistili NTC 12? at 25°C
Broj kontakta:
1
Nazivna struja:
8
Tip napona:
AC

Dokumenti

Proizvod

Eticode težina
0.13  kg
Carinska tarifa
85364900  
logis_net_width
35  mm
logis_net_height
95  mm
logis_net_depth
64  mm

Transportno pakovanje

Količina
1  
EAN
3838895426691  
Težina
0.13  kg
Broj paleta
6154  
Klasifikacija
EC001666
Ime razreda
Temperature controller for distribution board
Model
Digital
Rated voltage
230…230V
Rated frequency
50…50Hz
Adjustment range comfort
-40…110°C
Nominal switching current at 250 V, potential free
8A
Degree of protection (IP)
IP20
Width in number of modular spacings
2
Assembly depth
65mm
ETIM Clasifikacija – Verzija

Slike i dijagrami

Pribor 4

>
>
0
Vaša korpa je prazna.