Upišite nekoliko riječi da pronađete sadržaj eg:
fuse,arrestor,00110115 technical...
Nedavne pretrage
Tehnička podrška
This email address is being protected from spambots. You need JavaScript enabled to view it.

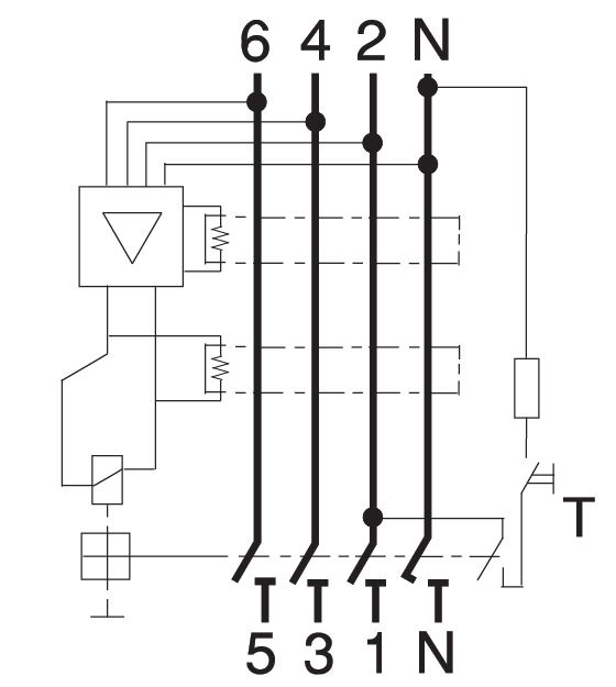
Zaštitna sklopka na diferencijalnu struju EFI-4 B+ 40/0.3 002064648

Specifikacije

Šifra proizvoda:
002064648
Opis:
EFI-4 B+ 40/0.3
Ime razreda:
Zaštitna sklopka na diferencijalnu struju
Nazivna diferencijalna struja:
0.3
Tip struje:
B+
Nazivna struja:
40
Tip:
B+
Broj polova:
3+N
Nazivna uslovna struja kratkog spoja Inc (kA):
10
Nazivni napon:
400
Nazivna frekvencija (Hz):
50/60
nazivni poprečni presek:
1-25
Standardi:
IEC/EN 61008, IEC/EN 62423, VDE 0664-400
IP zaštita:
IP20
Tip montaže:
TH 35
Dubina (mm):
68

Dokumenti

Proizvod

Eticode težina
0.35  kg
Carinska tarifa
85362010  
logis_net_width
72  mm
logis_net_height
88  mm
logis_net_depth
70  mm

Osnovno pakovanje

Količina
1  
EAN
3838895693192  
Težina
0.354  kg

Transportno pakovanje

Količina
27  
EAN
3838895693208  
Težina
9.92  kg
Broj paleta
1404  
Klasifikacija
EC000003
Ime razreda
Residual current circuit breaker (RCCB)
Number of poles
4
Rated voltage
400V
Rated current
40A
Rated fault current
300mA
Rated insulation voltage Ui
500V
Rated impulse withstand voltage Uimp
4kV
Mounting method
DIN rail
Leakage current type
B+
Short-circuit breaking capacity (Icw)
10kA
Frequency
Other
Additional equipment possible
Ne
Degree of protection (IP)
IP20
Width in number of modular spacings
4
Built-in depth
68mm
Ambient temperature during operating
-25…55°C
Connectable conductor cross section multi-wired
1…25mm²
Connectable conductor cross section solid-core
1…25mm²
ETIM Clasifikacija – Verzija

Slike i dijagrami

Pribor 10

>
>
0
Vaša korpa je prazna.