Upišite nekoliko riječi da pronađete sadržaj eg:
fuse,arrestor,00110115 technical...
Nedavne pretrage
Tehnička podrška
This email address is being protected from spambots. You need JavaScript enabled to view it.

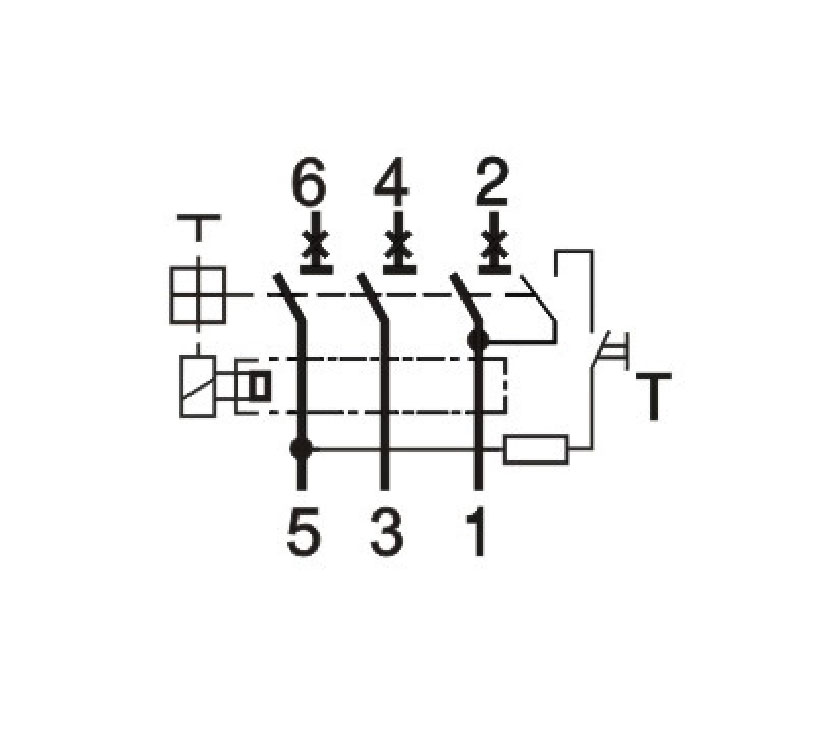
KZS sklopka KZS-4M 3p AC B16/0.03 002174804

Specifikacije

Šifra proizvoda:
002174804
Opis:
KZS-4M 3p AC B16/0.03
Ime razreda:
KZS sklopka
Nazivna diferencijalna struja:
0.03
Tip struje:
AC
Nazivna struja:
16
Karakteristika okidanja:
B
Tip:
AC
Broj polova:
3
Nazivna prekidna moć:
10
Nazivni napon:
415
Nazivna frekvencija (Hz):
50/60 Hz
nazivni poprečni presek:
1-25
Standardi:
IEC/EN 61009

Dokumenti

Proizvod

Eticode težina
482  g
Carinska tarifa
85362010  
logis_net_width
70  mm
logis_net_height
90  mm
logis_net_depth
73  mm

Osnovno pakovanje

Količina
1  
EAN
3838895575030  
Težina
0.51  kg

Transportno pakovanje

Količina
27  
EAN
3838895575047  
Težina
14.27  kg
Broj paleta
1404  
Klasifikacija
EC000905
Ime razreda
Earth leakage circuit breaker
Rated voltage
415V
Rated current
16A
Rated fault current
0,03A
Leakage current type
Other
Rated short-circuit breaking capacity according to EN 61009
10kA
Frequency
Other
Release characteristic
B
Connectable conductor cross section multi-wired
1…25mm²
ETIM Clasifikacija – Verzija

Slike i dijagrami

Pribor 1

>
>
0
Vaša korpa je prazna.