Upišite nekoliko riječi da pronađete sadržaj eg:
fuse,arrestor,00110115 technical...
Nedavne pretrage
Tehnička podrška
This email address is being protected from spambots. You need JavaScript enabled to view it.

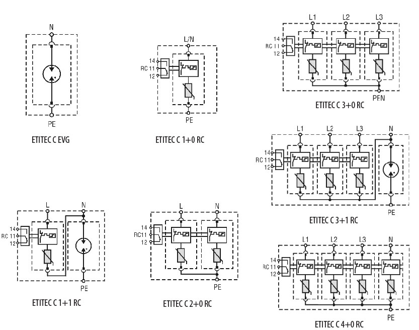
Odvodnik prenapona ETITEC C 440/20 2+0 002441532 Zastarelo

Ovaj proizvod je zastareo i zamenjen je sa ETITEC C T2 440/20 2+0. Upoređivanje proizvoda

Specifikacije

Šifra proizvoda:
002441532
Opis:
* ETITEC C 440/20 2+0
Ime razreda:
Odvodnik prenapona
AC max continous operating voltage Uc:
440
Tip:
T2
In (8/20):
20
Imax(8/20) [kA]:
40
Up - Zaštitni naponski nivo (kV):
1,5
Struja curenja:
da
Primenjena tehnologija:
MOV
Daljinska signalizacija:
ne
Sistem uzemljenja:
IT
Broj modula:
2
Funkcija:
SPD
Grupa kataloga 1:
ETITEC C

Dokumenti

Proizvod

Eticode težina
0.25  kg
Carinska tarifa
85363090  
logis_net_width
36  mm
logis_net_height
94  mm
logis_net_depth
73  mm

Osnovno pakovanje

Količina
1  
EAN
3838757000946  
Težina
0.25  kg

Transportno pakovanje

Količina
7  
EAN
3838757001950  
Težina
1.75  kg
Broj paleta
3199  
Klasifikacija
EC000941
Ime razreda
Surge protection device for power supply systems
System configuration DC
Ne
System configuration IT
Ne
System configuration TN-C
Ne
System configuration TN-S
Da
System configuration TT
Ne
System configuration other
Ne
Nominal discharge surge current (8/20)
20kA
Nominal voltage AC
400V
Short-circuit breaking capacity (Isccr)
25kA
Max. continuous voltage AC
440V
Max. discharge surge current (8/20)
20kA
Mounting method
DIN rail (top hat rail) 35 mm
Voltage protection level
1,5kV
Max. conductor cross section solid (solid, stranded)
25mm²
Max. conductor cross section flexible (fine-strand)
25mm²
With remote signalling contact
Ne
Integrated backup fuse
Ne
Signalling at the device
Optical
Category type 2
Da
Degree of protection (IP)
IP20
ETIM Clasifikacija – Verzija

Slike i dijagrami

Vaša korpa je prazna.