Upišite nekoliko riječi da pronađete sadržaj eg:
fuse,arrestor,00110115 technical...
Nedavne pretrage
Tehnička podrška
This email address is being protected from spambots. You need JavaScript enabled to view it.

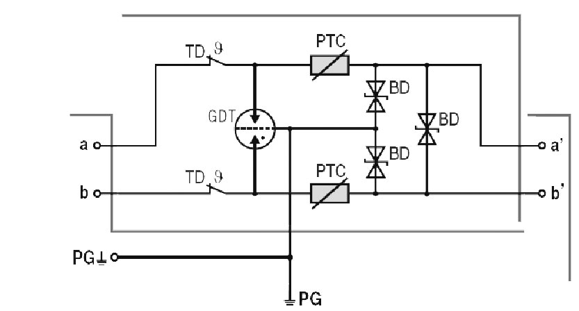
Odvodnik prenapona ETITEC SIG EM-TD 24V 2GND 002441702 Zastarelo

Ovaj proizvod je zastareo i nema direktnu zamenu, obratite se našoj tehničkoj podršci kako biste pronašli odgovarajuću zamenu.

Specifikacije

Šifra proizvoda:
002441702
Opis:
* ETITEC SIG EM-TD 24V 2GND
Ime razreda:
Odvodnik prenapona
DC max continous operating voltage Uc:
28V
Tip:
T3
In (8/20):
10kA
Up - Zaštitni naponski nivo (kV):
0.065kV
Struja curenja:
da
Primenjena tehnologija:
MOV
Daljinska signalizacija:
ne
Broj modula:
1
Funkcija:
SPD
Grupa kataloga 1:
ETITEC SIG

Dokumenti

Proizvod

Eticode težina
110  g
Carinska tarifa
85363090  

Osnovno pakovanje

Količina
1  
EAN
3838895488576  
Težina
0.12  kg

Transportno pakovanje

Količina
12  
EAN
3838895488583  
Težina
1.44  kg
Broj paleta
6672  
Klasifikacija
EC001466
Ime razreda
Lightning current arrester for data networks/MCR-technology
Nominal voltage DC
24V
Max. continuous voltage DC
28V
Nominal discharge surge current (8/20)
10kA
Nominal load current
0,145A
Voltage protection level
65V
Limiting frequency
1,4MHz
Signalling at the device
Optical
Mounting method
DIN rail (top hat rail) 35 mm
Connection 1
Clamp
With remote signalling contact
Ne
Explosion-tested version
Ne
ETIM Clasifikacija – Verzija

Slike i dijagrami

Softver i upravljački programi

Softver se nudi takav kakav jeste be1z ikakvih garancija. Autor nije u obavezi da pruža podršku, usluge, ažuriranja ili nadogradnje besplatnog softvera ili upravljačkik programa.
Vaša korpa je prazna.