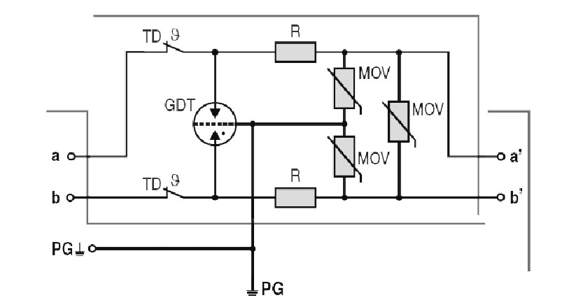
Odvodnik prenapona ETITEC SIG EM-TD 110 V 2GND 002441704 Zastarelo
Specifikacije
- Šifra proizvoda:
- 002441704
- Opis:
- * ETITEC SIG EM-TD 110 V 2GND
- Ime razreda:
- Odvodnik prenapona
- DC max continous operating voltage Uc:
- 170V
- Tip:
- T3
- In (8/20):
- 10kA
- Up - Zaštitni naponski nivo (kV):
- 0.45kV
- Struja curenja:
- da
- Primenjena tehnologija:
- MOV
- Daljinska signalizacija:
- ne
- Broj modula:
- 1
- Funkcija:
- SPD
- Grupa kataloga 1:
- ETITEC SIG
Dokumenti
Logistički podaci
Proizvod
- Eticode težina
- 110 g
- Carinska tarifa
- 85363090
Osnovno pakovanje
- Količina
- 1
- EAN
- 3838895488613
- Težina
- 0.12 kg
Transportno pakovanje
- Količina
- 12
- EAN
- 3838895488620
- Težina
- 1.44 kg
- Broj paleta
- 6672
ETIM Clasifikacija
- Klasifikacija
- EC001466
- Ime razreda
- Lightning current arrester for data networks/MCR-technology
- Nominal voltage DC
- 110V
- Max. continuous voltage DC
- 170V
- Nominal discharge surge current (8/20)
- 10kA
- Nominal load current
- 1A
- Voltage protection level
- 450V
- Limiting frequency
- 10MHz
- Signalling at the device
- Optical
- Mounting method
- DIN rail (top hat rail) 35 mm
- Connection 1
- Clamp
- With remote signalling contact
- Ne
- Explosion-tested version
- Ne
* ETITEC SIG EM-TD 110 V 2GND