Upišite nekoliko riječi da pronađete sadržaj eg:
fuse,arrestor,00110115 technical...
Nedavne pretrage
Tehnička podrška
This email address is being protected from spambots. You need JavaScript enabled to view it.

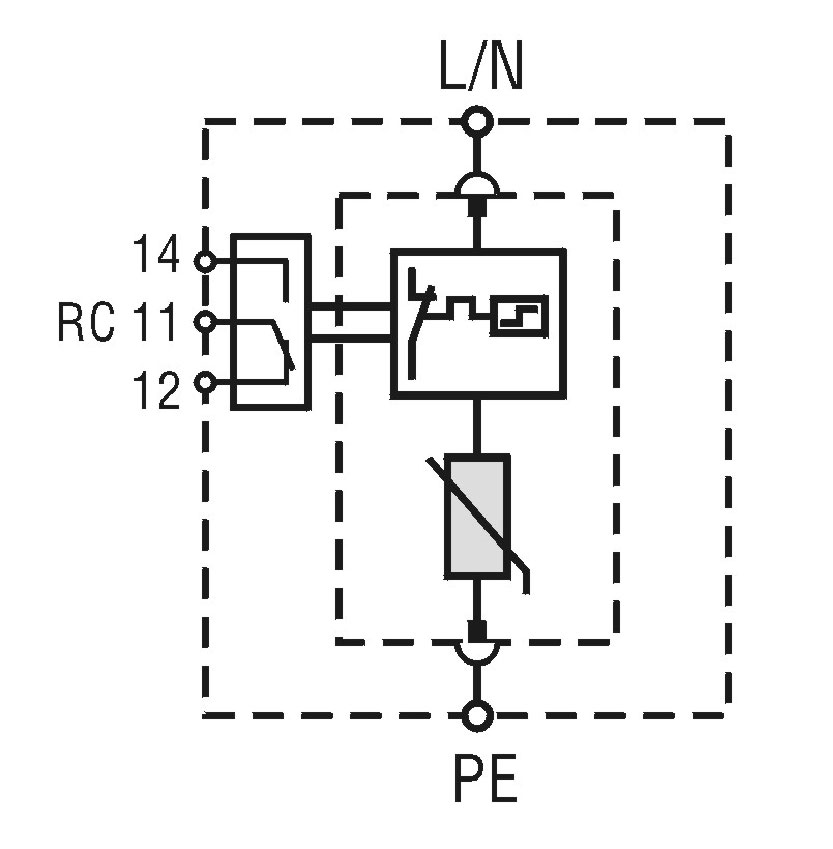
Odvodnik prenapona ETITEC D 440/3 RC 002441750 Zastarelo

Ovaj proizvod je zastareo i zamenjen je sa ETITEC D T3 440/3 1+0 RC. Upoređivanje proizvoda

Specifikacije

Šifra proizvoda:
002441750
Opis:
* ETITEC D 440/3 RC
Ime razreda:
Odvodnik prenapona
AC max continous operating voltage Uc:
440
Tip:
T3
In (8/20):
3
Imax(8/20) [kA]:
10
Up - Zaštitni naponski nivo (kV):
1,8
Struja curenja:
da
Primenjena tehnologija:
MOV
Daljinska signalizacija:
da
Sistem uzemljenja:
IT
Broj modula:
1
Funkcija:
SPD
Grupa kataloga 1:
ETITEC D

Dokumenti

Proizvod

Eticode težina
0.145  kg
Carinska tarifa
85363090  
logis_net_width
18  mm
logis_net_height
103  mm
logis_net_depth
73  mm

Osnovno pakovanje

Količina
1  
EAN
3838757001172  
Težina
0.145  kg

Transportno pakovanje

Količina
12  
EAN
3838757002186  
Težina
1.74  kg
Broj paleta
5520  
Klasifikacija
EC000942
Ime razreda
Surge protection device for terminal equipment
Mounting method
DIN rail (top hat rail) 35 mm
Nominal voltage AC
400V
Max. continuous voltage AC
440V
Total discharge current (8/20) (L+N-PE)
3kA
Voltage protection level
1,8kV
Number of poles
1
With remote signalling contact
Da
Signalling at the device
Optical
Max. conductor cross section solid (solid, stranded)
35mm²
Max. conductor cross section flexible (fine-strand)
25mm²
Category type 3
Da
With interference suppressor filter
Ne
Degree of protection (IP)
IP20
ETIM Clasifikacija – Verzija

Slike i dijagrami

Vaša korpa je prazna.