Upišite nekoliko riječi da pronađete sadržaj eg:
fuse,arrestor,00110115 technical...
Nedavne pretrage
Tehnička podrška
This email address is being protected from spambots. You need JavaScript enabled to view it.

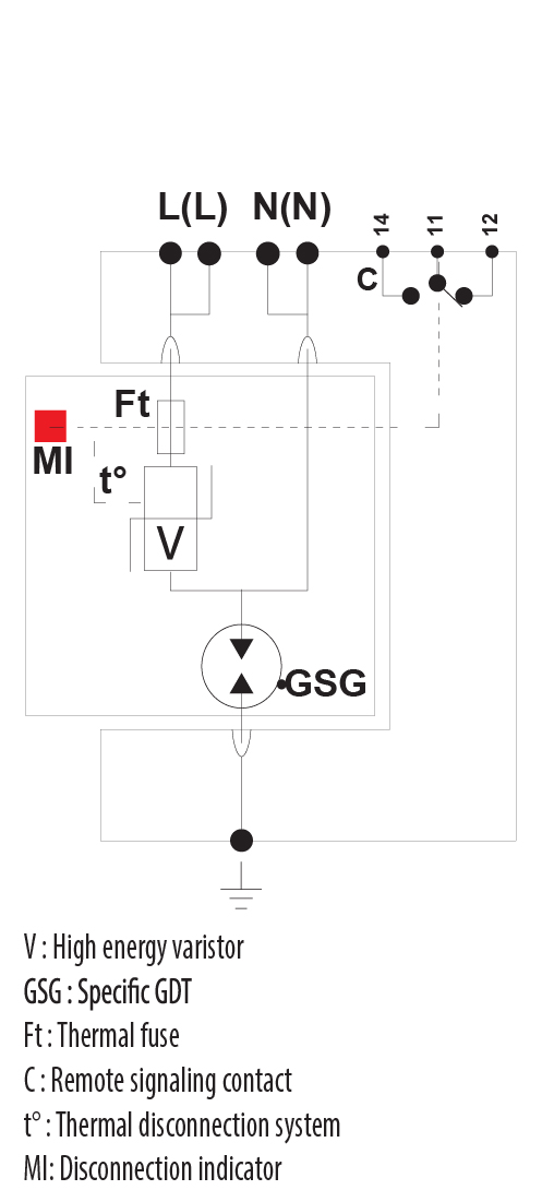
Odvodnik prenapona ETITEC V 2T2 255/20 1+1 RC 002442948

Specifikacije

Šifra proizvoda:
002442948
Opis:
ETITEC V 2T2 255/20 1+1 RC
Ime razreda:
Odvodnik prenapona
AC max continous operating voltage Uc:
255V
Tip:
T2
In (8/20):
20kA
Up - Zaštitni naponski nivo (kV):
1.5kV
Struja curenja:
da
Primenjena tehnologija:
MOV
Daljinska signalizacija:
ne
Sistem uzemljenja:
TT/TN-S
Broj modula:
2
Dubina ugradnje (mm):
68mm
Funkcija:
SPD
Grupa kataloga 1:
ETITEC V

Dokumenti

Proizvod

Etikod EAN
3838895828860  
Eticode težina
0.14  kg
Carinska tarifa
85354000  
logis_net_width
18  mm
logis_net_height
104  mm
logis_net_depth
68  mm

Osnovno pakovanje

Količina
8  
EAN
3838895858980  
Težina
1.31  kg

Transportno pakovanje

Količina
96  
EAN
3838895828877  
Težina
16.51  kg
Broj paleta
3840  
Klasifikacija
EC000941
Ime razreda
Surge protection device for power supply systems
System configuration DC
Ne
System configuration IT
Ne
System configuration TN-C
Ne
System configuration TN-S
Da
System configuration TT
Da
System configuration other
Ne
Nominal discharge surge current (8/20)
20kA
Nominal voltage AC
230V
Short-circuit breaking capacity (Isccr)
10kA
Max. continuous voltage AC
255V
Max. discharge surge current (8/20)
40kA
Mounting method
DIN rail (top hat rail) 35 mm
Max. conductor cross section solid (solid, stranded)
35mm²
Max. conductor cross section flexible (fine-strand)
25mm²
With remote signalling contact
Da
Integrated backup fuse
Ne
Signalling at the device
Optical
Category type 2
Da
Degree of protection (IP)
IP20
ETIM Clasifikacija – Verzija

Slike i dijagrami

Pribor 31

>
>
0
Vaša korpa je prazna.