Upišite nekoliko riječi da pronađete sadržaj eg:
fuse,arrestor,00110115 technical...
Nedavne pretrage
Tehnička podrška
This email address is being protected from spambots. You need JavaScript enabled to view it.

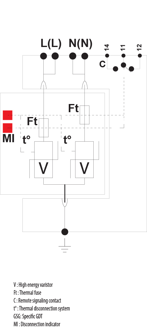
Odvodnik prenapona ETITEC V 2T3 440/5 2+0 RC 002442975

Specifikacije

Šifra proizvoda:
002442975
Opis:
ETITEC V 2T3 440/5 2+0 RC
Ime razreda:
Odvodnik prenapona
AC max continous operating voltage Uc:
440V
Tip:
T2, T3
In (8/20):
5kA
Up - Zaštitni naponski nivo (kV):
2.5kV
Struja curenja:
da
Primenjena tehnologija:
MOV
Daljinska signalizacija:
ne
Sistem uzemljenja:
IT
Broj modula:
2
Dubina ugradnje (mm):
68mm
Funkcija:
SPD
Grupa kataloga 1:
ETITEC V

Dokumenti

Proizvod

Eticode težina
0.104  kg
Carinska tarifa
85354000  
logis_net_width
18  mm
logis_net_height
104  mm
logis_net_depth
68  mm

Osnovno pakovanje

Količina
1  
EAN
3838895829423  
Težina
0.115  kg

Transportno pakovanje

Količina
96  
EAN
3838895829430  
Težina
13  kg
Broj paleta
8064  

COM_ETISTORE_ITEM_TITLE_LOGISTIC_DATA_SECTION4

qty
8  pcs
Težina
1.025  kg
Visina (mm)
78  mm
Dubina (mm)
183  mm
volume
1.499  dm3
Klasifikacija
EC000941
Ime razreda
Surge protection device for power supply systems
System configuration DC
Ne
System configuration IT
Ne
System configuration TN-C
Ne
System configuration TN-S
Da
System configuration TT
Ne
System configuration other
Ne
Nominal discharge surge current (8/20)
5kA
Nominal voltage AC
400V
Short-circuit breaking capacity (Isccr)
3kA
Max. continuous voltage AC
440V
Max. discharge surge current (8/20)
15kA
Mounting method
DIN rail (top hat rail) 35 mm
Max. conductor cross section solid (solid, stranded)
35mm²
Max. conductor cross section flexible (fine-strand)
25mm²
With remote signalling contact
Da
Integrated backup fuse
Ne
Signalling at the device
Optical
Category type 2
Da
Degree of protection (IP)
IP20
ETIM Clasifikacija – Verzija

Slike i dijagrami

Softver i upravljački programi

Softver se nudi takav kakav jeste be1z ikakvih garancija. Autor nije u obavezi da pruža podršku, usluge, ažuriranja ili nadogradnje besplatnog softvera ili upravljačkik programa.

Pribor 31

>
>
0
Vaša korpa je prazna.