Topljivi osigurač NHS3/110 UQ aR 500A/690V 004335114
Specifikacije
- Šifra proizvoda:
- 004335114
- Opis:
- NHS3/110 UQ aR 500A/690V
- Ime razreda:
- Topljivi osigurač
- efuse:
- 1
- Grupa proizvoda:
- Zaštita poluprovodnika
- Tip:
- NH-S
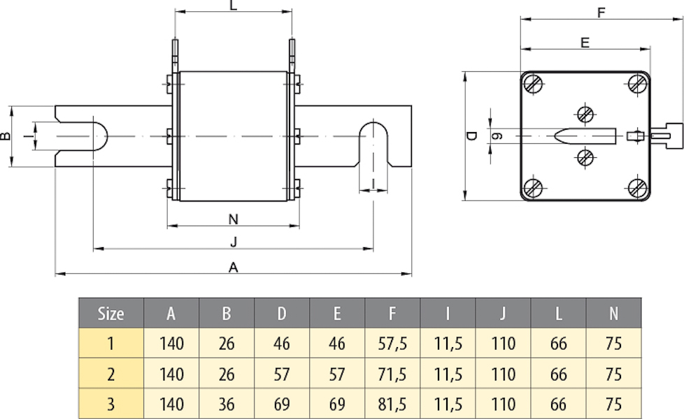
- Veličina:
- NH3
- Nazivna struja:
- 500
- Nazivni AC napon:
- 690
- Karakteristika:
- aR
- AC Prekidna moć:
- 50
- DC Prekidna moć:
- 25
- Primena:
- Za zaštitu poluvodičkih uređaja
- Indikator:
- Indikator statusa gornjeg osigurača
- Pd (W):
- 130
- Radni Džulov integral (A2s):
- 620.000
- Standardi:
- IEC 60269-4
Dokumenti
Logistički podaci
Proizvod
- Etikod EAN
- 3838895733850
- Eticode težina
- 880 g
- Carinska tarifa
- 85361090
- logis_net_width
- 69 mm
- logis_net_height
- 141 mm
- logis_net_depth
- 82 mm
Osnovno pakovanje
- Količina
- 3
- EAN
- 3838895009948
- Težina
- 2.66 kg
Transportno pakovanje
- Količina
- 12
- EAN
- 3838895160496
- Težina
- 11.01 kg
- Broj paleta
- 624
COM_ETISTORE_ITEM_TITLE_LOGISTIC_DATA_SECTION4
- qty
- 1 pcs
- Težina
- 880 g
- Visina (mm)
- 141
- Dubina (mm)
- 82
- volume
- 0.89 dm3
ETIM Clasifikacija
- Klasifikacija
- EC000055
- Ime razreda
- Low Voltage HRC fuse
- Construction size
- NH3
- Rated current
- 500
- Rated voltage
- 690
- Voltage type
- AC
- Rated switching capacity
- 50
- Utilization category
- aR (accompanied semiconductor protection)
- Type of fuse status indicator
- Top fuse status indicator
- Insulated metal gripping lugs (IMGL)
- Ne
Karakteristike
Slike i dijagrami
Softver i upravljački programi

Oznake
Pribor 1
>
>
0